廣州蘭瑟電子科技有限公司【一級★代理商】美國ZEMIC BM14A-C3稱重傳感器BM14A-C3(LOADCELL)廠家直銷折扣價格,服務熱線:020-22157650;專業提供美國ZEMIC稱重傳感器BM14A-C3的最新選型和產品資訊。
名稱:BM14A-C3傳感器,美國ZEMIC BM14A-C3稱重傳感器
品牌:美國ZEMIC稱重傳感器
屬性:不銹鋼ZEMIC BM14A-C3梁式稱重傳感器
想了解更多美國zemic的信息請點擊:ZEMIC稱重傳感器了解更多信息
美國ZEMIC BM14A-C3稱重傳感器主要特性:
▲不銹鋼材料,四柱式結構,焊接密封,壓向承載。
▲防護等級IP68
▲防雷擊可達一萬伏,適用于試驗機、平臺秤、料斗秤及各類電子稱重設備。
推薦選擇型號:
|
xxt
|
C3
|
BM14A-C3-xxt-xB-SC
|
|
xxklb
|
C3
|
BM14A-C3-xxK-9YB
|
|
10t-100t通過德國PTB C3級測試
|
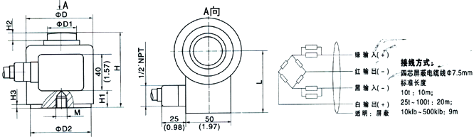
美國ZEMIC BM14A-C3稱重傳感器規格尺寸:

|
量程t(Klb)
|
D
|
D1
|
D2
|
H
|
H1
|
H2
|
H3
|
L
|
M
|
|
10t,25t
|
73
(2.9)
|
32
(1.3)
|
58
(2.3)
|
82.5
(3.3)
|
13
(0.5)
|
8
(0.31)
|
2
(0.10)
|
64
(2.52)
|
M12×1.75
|
|
40t,60t
|
105
(4.1)
|
59
(2.3)
|
83
(3.3)
|
127.0
(5.0)
|
33
(1.3)
|
9
(0.4)
|
12
(0.5)
|
87
(3.4)
|
M20×2.5
|
|
100t
|
152
(6.0)
|
80
(3.1)
|
124
(4.9)
|
184
(7.2)
|
70
(2.8)
|
23
(0.9)
|
22
(0.9)
|
109
(4.3)
|
M20×2.5
|
|
10k,25k,50k
|
73
(2.9)
|
32
(1.3)
|
58
(2.3)
|
82.5
(3.3)
|
12.5
(0.5)
|
8
(0.31)
|
2
(0.10)
|
64
(2.52)
|
1/2-20UNF
|
|
100k
|
105
(4.1)
|
59
(2.3)
|
83
(3.3)
|
127.0
(5.0)
|
33
(1.3)
|
9
(0.4)
|
12
(0.5)
|
87
(3.4)
|
3/4-16UNF
|
|
200k,300k
|
152
(6.0)
|
80
(3.1)
|
124
(4.9)
|
184
(7.2)
|
70
(2.8)
|
23
(0.9)
|
22
(0.9)
|
109
(4.3)
|
3/4-16UNF
|
|
500k
|
163
(6.4)
|
94
(3.7)
|
136
(5.4)
|
229
(9)
|
91
(3.60)
|
11
(0.4)
|
25
(1.0)
|
123
(4.84)
|
3/4-16UNF
|
美國ZEMIC BM14A-C3稱重傳感器技術參數:
|
額定載荷
|
t
|
5/10/25/40/60/100
|
|
klb
|
10/25/50/100/200/300/500
|
|
精度
|
C3
|
|
認證
|
|
OIML R60 C3
|
|
最大檢定分度數
|
n max
|
3000
|
|
最小檢定分度值
|
v min
|
Emax/10000
|
|
綜合誤差
|
(%FS)
|
≤±0.020
|
|
蠕變
|
(%FS/30min)
|
≤±0.016
|
|
溫度對輸出靈敏度的影響
|
(%FS/10℃)
|
≤±0.011
|
|
溫度對零點輸出的影響
|
(%FS/10℃)
|
≤±0.015
|
|
輸出靈敏度
|
(mv/v)
|
2.0±0.002
|
|
輸入阻抗
|
(Ω)
|
450±4.5
|
|
輸出阻抗
|
(Ω)
|
480±4.8
|
|
絕緣阻抗
|
(MΩ)
|
≥5000(50VDC)
|
|
零點輸出
|
(%FS)
|
≤±1.0
|
|
溫度補償范圍
|
(℃)
|
-10~+40
|
|
允許使用溫度范圍
|
(℃)
|
-35~+70
|
|
推薦激勵電壓
|
(V)
|
5~12(DC)
|
|
最大激勵電壓
|
(V)
|
18(DC)
|
|
安全過載范圍
|
(%FS)
|
150
|
|
極限過載范圍
|
(%FS)
|
300
|
|
ATEX等級(可選)
|
|
II 1G Ex ia II 1C T4
|
II 1D Ex iaD20 T73℃
|
【廣州蘭瑟電子】主要代理經銷傳感器類型:稱重傳感器、壓力傳感器、扭矩傳感器、荷元以及變送器、稱重模塊、放大器、接線盒、電子秤、儀表及相關配套附件等。我司與美國ZEMIC公司合作多年,提供完善的售前、售中、售后服務,保證您買得放心,用得安心。
美國ZEMIC BM14A-C3稱重傳感器所有型號:
BM14A-C3-5t、BM14A-C3-10t、BM14A-C3-25t、BM14A-C3-40t、BM14A-C3-60t、BM14A-C3-100t、
電話:020-22157650 手機:15322063181
不同規格型號,價格也不同,型號編輯方式是由材質,形狀,精度,量程,線長,線制,電流等要求組成,詳情可咨詢【廣州蘭瑟電子】專業工程師楊帆為您選型。
|