【廣州★蘭瑟電子】公司全球供應德國BD SENSORS DPS 200壓力傳感器廠商/供應商/代理服務商價格,中國服務熱線:020-22157170;我們將為您提供德國BD SENSORS壓力傳感器/DPS 200壓力變送器全方位的售前,售中,售后服務。
我們“鄭重提醒”網上交易有風險,不同型號,價格不同,貨期也不同,具體信息務必認準【廣州蘭瑟電子】;撥打全國統一服務熱線020-22157170咨詢!
品牌:德國BD SENSORS壓力變送器,BD SENSORS壓力傳感器
名稱:德國BD SENSORS DPS 200壓力變送器
資料:產品樣本,產品選型,安裝說明書,證書
類別:壓力變送器也叫壓力傳感器
德國BD SENSORS DPS 200壓力變送器特點
差壓 0 ... 1 mbar 至 0 ... 1000 mbar
精度: 0.5 % FSO BFSL
壓阻式壓力傳感器
應用:暖通與空調
BD SENSORS 壓力變送器采用不同的傳感器技術,結合不銹鋼和多種塑料殼體,適用于幾乎所有工業氣體和液體。我們的工業壓力變送器有多種電氣接口和壓力接口可供選擇,可滿足幾乎所有應用需求。
德國BD SENSORS DPS 200壓力變送器參數

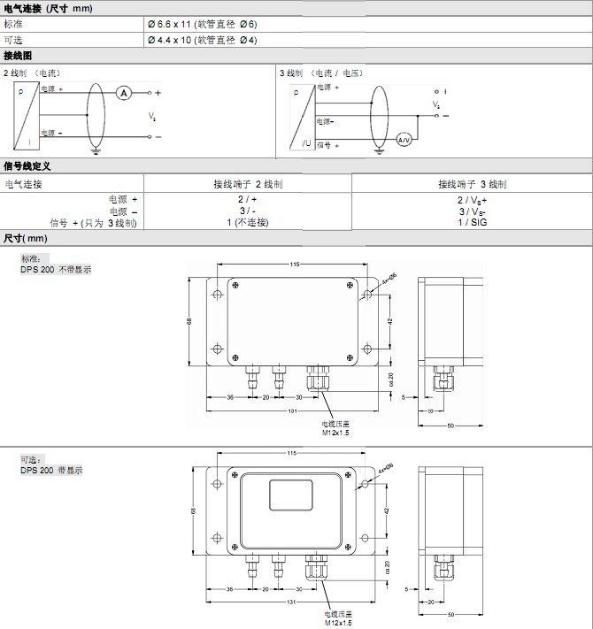
德國BD SENSORS DPS 200壓力變送器尺寸

以上是DPS 200壓力變送器的產品圖片,產品特點,產品參數,產品選型,產品型號,產品尺寸產品介紹等詳細信息,如有任何疑問歡迎來電咨詢相關品牌服裝人。
除DPS 200壓力變送器其它相關型號請點擊
P15壓力傳感器,德國HBM P15壓力傳感器
日本NMB PRC壓力傳感器,PRC壓力傳感器
PFP300壓力傳感器,美國Futek PFP300壓力傳感器
美國Dytran 2005V壓力傳感器,2005V壓力傳感器
6002B壓力傳感器,瑞士Priamus 6002B壓力傳感器
|