|
|
|
|
|
|
|
|
|
|
| 郵 箱: |
lanse-china@foxmail.com |
|
|
|
|
|
 |
|
|
|
|
| 美國Dytran 3133M4加速度傳感器,3133M4加速度傳感器 |
| 發布人:稱重傳感器 發布時間:2013/8/9 11:35:05 點擊量:3577 |
 |
美國Dytran 3133M4加速度傳感器原理
美國Dytran線加速度計的原理是慣性原理,也就是力的平衡,A(加速度)=F(慣性力)/M(質量) 我們只需要測量F就可以了。用電磁力去平衡這個力就可以得到 F對應于電流的關系。只需要用實驗去標定這個比例系數就沒有問題了。壓電效應最基本的原理都是由于加速度產生某個介質產生變形,通過測量其變形量并用相關電路轉化成電壓輸出。每種技術都有各自的機會和問題。
美國Dytran 3133M4加速度傳感器特點
機載型加速度傳感器
靈敏度(± 5%) ±10 mV/g
量程 ±500 g
重量 25 grams
沖擊 3000 ±gpk
頻響(±5%) 10 to 1000 Hz
溫度 -54 to +121 ℃
我司與美國Dytran稱重傳感器是多年的合作伙伴,為Dytran的指定供應商,如果您對產品價格,圖片,貨期,參數,選型等有需要,歡迎撥打【廣州蘭瑟電子】全國統一服務熱線:020-22157170。
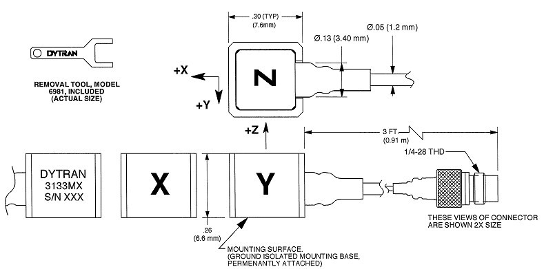
美國Dytran 3133M4加速度傳感器尺寸

|
|
|
|
|
|
|
|