|
|
|
|
|
|
|
|
|
|
| 郵 箱: |
lanse-china@foxmail.com |
|
|
|
|
|
 |
|
|
|
|
| 德國HBM U9B力傳感器,U9B力傳感器 |
| 發布人:稱重傳感器 發布時間:2013/8/7 18:11:00 點擊量:4366 |
 |
德國HBM U9B力傳感器分類
德國HBM力傳感器是將各種力學量轉換為電信號的器件,力學量可分為幾何學量、運動學量及力學量三部分,其中幾何學量指的是位移、形變、尺寸等,運動學量是指幾何學量的時間函數,如速度、加速度等。力學量包括質量、力、力矩、壓力、應力等。
德國HBM U9B力傳感器特性
額定力: 50N, 100N, 200N, 500N, 1kN, 2kN, 5kN, 10kN, 20kN, 50kN
是不銹鋼材料制成的力傳感器
最大允許力: 120%
額定溫度: -10°C ... +70°C
保護等級: IP65
材料: 不銹鋼
力方向: 拉 / 壓
應變技術
拉壓向測量
尺寸小
選項: 免維護的膝眼作為力傳遞輔助工具
額定靈敏度: 1mV/V
如果您對U9B力傳感器特性的產品價格,圖片,貨期,參數,選型等詳細信息有需要,歡迎撥打【廣州蘭瑟電子】全國統一服務熱線:020-22157170。
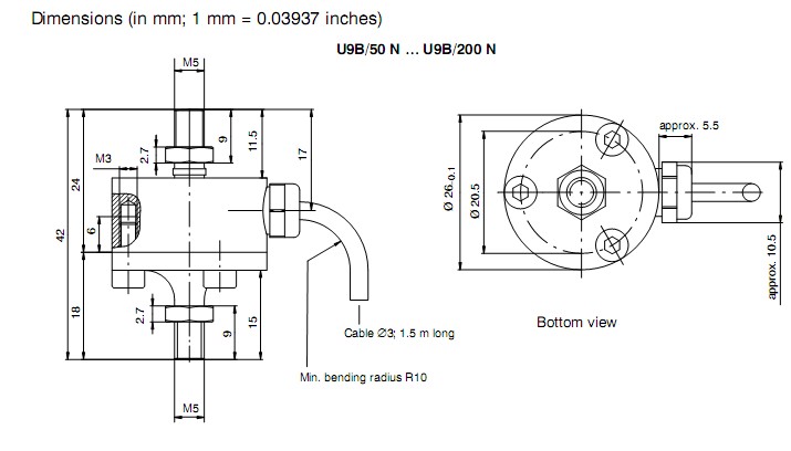
德國HBM U9B力傳感器尺寸

德國HBM U9B力傳感器描述
是結構小巧的力傳感器,新量程的U9B結構小巧的力傳感器,最新的U9B小型力傳感器量程范圍為0-50N, 0-100N 和 0-200N 專門設計用來測量較小的力。
量程范圍 0-50kN 可用來測量拉向和壓向力,U9B主要用于生產和組裝過程。
|
|
|
|
|
|
|
|