|
|
|
|
|
|
|
|
|
|
| 郵 箱: |
lanse-china@foxmail.com |
|
|
|
|
|
 |
|
|
|
|
| Bongshin OBUH-30KG,OBUH-50KG,OBUH-100KG稱重傳感器 |
| 發布人:稱重傳感器 發布時間:2013/7/4 14:20:56 點擊量:3242 |
 |
英文名稱:BONGSHIN LOADCELL
中文名稱:奉信稱重傳感器
產品性質:OBUH-30KG單點式傳感器
產品貨期:常規現貨
付款方式:支持第三方支付
OBUH-30KG,OBUH-50KG,OBUH-100KG稱重傳感器主要特性:
是一款單點式傳感器
鋁合金材質
為了達到最佳性能,最重要的是要注意安裝
彎曲梁式稱重傳感器
Bongshin OBUH稱重傳感器專門為低臺秤和高精度自動檢測重量機系統而設計,具有高精度,可靠性和快速測量的特點。
防護等級IP 65
5~30kg (49.03~294.2N) 300x300mm
50,100kg (490.3, 980.7N) 400 x 400 mm
奉信OBUH技術參數:

韓國奉信OBUH傳感器所有型號:
OBUH-5KG
OBUH-7KG
OBUH-10KG
OBUH-15KG
OBUH-30kg
OBUH-50kg
OBUH-100kg
bognshin OBUH-5KG稱重傳感器
bognshin OBUH-7KG稱重傳感器
bognshin OBUH-10KG稱重傳感器
bognshin OBUH-15KG稱重傳感器
bognshin OBUH-30KG稱重傳感器
bognshin OBUH-50KG稱重傳感器
bognshin OBUH-100KG稱重傳感器
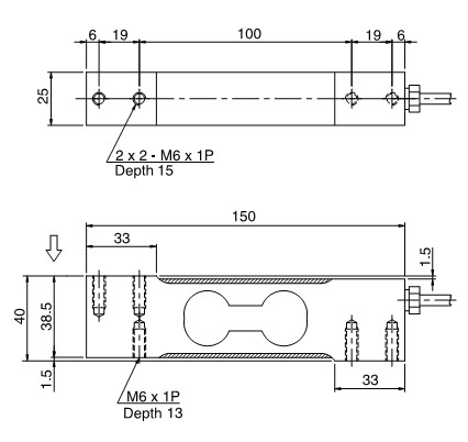
Bongshin OBUH選型圖:

OBUH-30KG是本公司的重點產品之一,如果您對韓國bongshin/奉信OBUH-50KG稱重傳感器的價格,圖片,尺寸,貨期,Bongshin OBUH-100KG參數有需要,請登錄【廣州蘭瑟電子科技有限公司】官網搜索OBUH-30KG相關型號。
除OBUH-30KG傳感器其它相關熱銷型號:
OBU系列請點擊:Bongshin OBU
DBBP系列請點擊:Bongshin DBBP
CCDH系列請點擊:Bongshin CCDH
CDBH系列請點擊:bongshin CDBH
CMCS系列請點擊:Bongshin CMCS
|
|
|
|
|
|
|
|