
意大利Laumas FCOL-100kg稱重傳感器相關知識:
FCOL-100kg稱重傳感器雖然有一定的過載能力,但在稱重系統安裝過程中,仍應防止FCOL-100kg傳感器的超載。要注意的是,即使是短時間的超載,也可能會造成傳感器永久損壞。意大利Laumas在安裝過程中,若確有必要,可先用一個和傳感器等高度的墊塊代替傳感器,到最后,再把傳感器換上。
如果您對意大利Laumas FCOL-100kg稱重傳感器的價格,圖片,尺寸,貨期,參數有需要,可直接撥打全國統一服務熱線:020-22157170(零二零—二二一五七一七零)。
意大利Laumas FCOL-100kg稱重傳感器主要特性:
- 波紋管傳感器
- 量程:20kg-500kg
- 17-4PH不銹鋼結構
- 綜合誤差<+/ - 0.02%(0.013%C4)
- FCOL-100kg稱重傳感器防護等級IP68
- FCOL-100kg具有較好的防水防濕功能
意大利Laumas FCOL-100kg稱重傳感器技術參數:
RATED OUTPUT 2 mV/V +/-1%
TEMPERATURE EFFECT ON ZERO 0.002 % / °C
TEMPERATURE EFFECT ON SPAN 0.0014 % / °C
COMPENSATED TEMPERATURE RANGE - 10°C / + 40°C
OPERATING TEMPERATURE RANGE - 30°C / + 65°C
CREEP AT NOMINAL LOAD AFTER 30 MINUTES 0.02%
MAX SUPPLY VOLTAGE WITHOUT DAMAGE 18 Volt
INPUT RESISTANCE 460 ohm +/- 50
OUTPUT RESISTANCE 350 ohm +/- 3,5
FCOL-100kgZERO BALANCE +/- 1 %
INSULATION RESISTANCE > 5000 Mohm
SAFE OVERLOAD (% of Full Scale) 150%
ULTIMATE OVERLOAD (% of Full Scale) > 300 %
DEFLECTION AT NOMINAL LOAD 0.4 mm
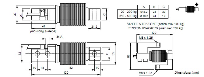
意大利Laumas FCOL-100kg稱重傳感器尺寸圖:
意大利Laumas FCOL稱重傳感器所有型號:
FCOL-20kg
FCOL-50kg
FCOL-100kg
FCOL-200kg
FCOL-350kg
FCOL-500kg
除FCOL-100kg其它品牌熱銷型號請點擊:
619-2000kg,619-2000kg稱重傳感器,美國tedea 619-2000kg傳感器
HBB-100KG,HBB-100KG稱重傳感器,美國世銓Celtron HBB-100KG傳感器
Z6FD1/100kg,Z6FD1/100kg稱重傳感器,德國HBM Z6FD1/100kg傳感器
TSC-50,TSC-50稱重傳感器,梅特勒托利多TSC-50kg傳感器
350i-1000kg,350i-1000kg稱重傳感器,Utilcell 350i-1000kg傳感器
|