
意大利Laumas FCL-50kg稱重傳感器相關知識:
FCL-50kg稱重傳感器雖然有一定的過載能力,但在稱重系統安裝過程中,仍應防止FCL-50kg傳感器的超載。要注意的是,即使是短時間的超載,也可能會造成傳感器永久損壞。意大利Laumas在安裝過程中,若確有必要,可先用一個和傳感器等高度的墊塊代替傳感器,到最后,再把傳感器換上。
如果您對意大利Laumas FCL-50kg稱重傳感器的價格,圖片,尺寸,貨期,參數有需要,可直接撥打全國統一服務熱線:020-22157170(零二零—二二一五七一七零)。
意大利Laumas FCL-50kg稱重傳感器主要特性:
- 20, 50, 100, 200kg
- 17-4 PH不銹鋼結構
- 不銹鋼S型波紋管
- 精度等級<+ / - 0,017%
- FCL-50kg防護等級IP 68
- 獲得OIML R60 C3批準
意大利Laumas FCL-50kg稱重傳感器技術參數:
額定輸出 2mV/V±0.1%
FCL-50kg稱重傳感器零平衡 ±2%
FCL-50kg傳感器蠕變 0.016%
零點溫度影響 0.002%/℃
輸出溫度影響 0.0012%/℃
工作溫度范圍 -20℃/+50℃
溫度補償范圍 -10℃/+40℃
最大激勵電壓 15V
安全過載 150%
極限過載 200%
輸入抗阻 400 ohm ±20
輸出抗阻 350 ohm ±3
絕緣電阻 ≥5000 mohm
額定負載偏移 0.4mm
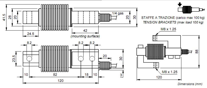
意大利Laumas FCL稱重傳感器尺寸圖:

意大利Laumas FCL稱重傳感器所有型號:
FCL-20kg
FCL-50kg
FCL-100kg
FCL-200kg
【廣州蘭瑟電子】主要代理經銷傳感器類型:稱重傳感器、壓力傳感器、扭矩傳感器、荷元以及變送器、稱重模塊、放大器、接線盒、電子秤、儀表及相關配套附件等。我司與意大利Laumas公司合作多年,提供完善的售前、售中、售后服務,保證您買得放心,用得安心。撥打全國統一服務熱線:020-22157170。
除FCL-50kg稱重傳感器其它品牌熱銷型號:
619-2000kg,619-2000kg稱重傳感器,美國tedea 619-2000kg傳感器
HBB-100KG,HBB-100KG稱重傳感器,美國世銓Celtron HBB-100KG傳感器
Z6FD1/100kg,Z6FD1/100kg稱重傳感器,德國HBM Z6FD1/100kg傳感器
TSC-50,TSC-50稱重傳感器,梅特勒托利多TSC-50kg傳感器
350i-1000kg,350i-1000kg稱重傳感器,Utilcell 350i-1000kg傳感器
|