【廣州蘭瑟電子★質量承諾】優勢價格熱賣Laumas FTP-75kg稱重傳感器,意大利Laumas中國一級經銷商,Laumas稱重傳感器FTP-75kg產品絕對原裝進口,價格優惠保證滿意,歡迎致電咨詢。
“特大好消息”
通過多年的努力,廣州蘭瑟電子獲得了國外知名生產商的信任和支持,全球設有多個采購點,使我司的國際產品供應能力不斷壯大,有著不可超越的優勢。我司與意大利Laumas是多年的合作伙伴,在價格上具有絕對的優勢,保證意大利Laumas原裝進口,附帶防偽證明。
名稱:FTP-75kg,LAUMAS FTP-150kg稱重傳感器
品牌:意大利Laumas稱重傳感器
形狀:彎梁,剪力細胞傳感器
線制:六線制接線,進行短接
型號:FTP-75kg、FTP-150kg、FTP-300kg、FTP-500KG、FTP-750KG、FTP-1000KG、FTP-1200KG、FTP-1500KG、FTP-2000KG、FTP-3000KG、FTP-5000KG、FTP-10000KG
意大利Lauma FTP-75kg傳感器特性:
- 不銹鋼AISI420建造
- 綜合誤差\<+/ - 0.02%
- 防護等級IP68(IP 67)
- ESECUZIONE在ACCIAIO INOX AISI420
- ERRORE COMBINATO\<+/ - 0,02%
- GRADO DI PROTEZIONE IP 68(IP67)
意大利Lauma FTP-75kg傳感器參數:
額定輸出:2 mV/V +/-0.4%
零點溫度影響:0.002 % / ¡ãC
溫度影響:0.0012 % / ¡ãC
溫度補償范圍:- 10¡ãC / + 40¡ãC
工作溫度范圍:- 20¡ãC / + 70¡ãC
蠕變在額定負載后的30分鐘再予:0.016 %
最大電源電壓而不損壞:15 Volt
輸入電阻:385 ohm +/-10
輸出電阻:350 ohm +/- 3
余額為零:+/- 2 %
絕緣電阻:> 5000 Mohm
安全過載范圍(滿量程的百分比):150 %
極限過載范圍(滿量程的百分比): > 200 %
偏轉NOMINLA負載:0.4 mm
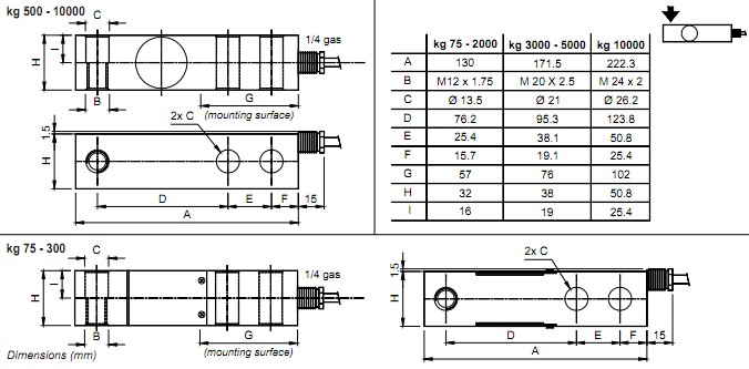
意大利Lauma FTP-75kg傳感器尺寸:

意大利Lauma FTP-75kg傳感器接線:
SHIELD
+信號(綠色)
+激勵電壓(紅色)
+ REF/檢測(藍色)
- 信號(白色)
- 激發(黑)
- REF /檢測(黃色)
FTP-75kg、FTP-150kg、FTP-300kg、FTP-500KG、FTP-750KG、FTP-1000KG、FTP-1200KG、FTP-1500KG、FTP-2000KG、FTP-3000KG、FTP-5000KG、FTP-10000KG
FTZ-500KG、FTZ--1000KG、FTZ-2000KG、FTZ-5000KG
FTZA-500KG、FTZA-1000KG、FTZA-2000KG、FTZA-5000KG、FTZA-7500KG、FTZA-10000KG
FTL-300kg、FTL-500kg、FTL-1000kg、FTL-2000kg
FTP-75kg傳感器Laumas稱重傳感器100%百分百質量保證【選蘭瑟電子——就是選正品保障】,承諾:“三個月內質量有問題隨時無條件退換貨,退還全部貨款,不收任何費用”。質保兩年,提供免費維護!
|