【廣州★蘭瑟電子】一級★代理意大利Laumas FCL-200kg傳感器FCL-200kg(LOADCELL)廠家直銷折扣價格,服務熱線:020-22157650;專業負責意大利Laumas稱重傳感器FCL-200kg中國市場的售前售后服務。
品牌:意大利Laumas稱重傳感器
名稱:FCL-200kg稱重傳感器
價格:凡是我司經銷商6.5折
意大利LAUMAS電子產品自1984年以來躋身于工業稱重市場。在工業稱重及配料領域有25年的豐富經驗。幾年來參加中國很多展會,已經走進中國市場中心,被冶金、石油化工、食品生產、機械制造、造紙、鋼鐵、交通、礦山、水泥、紡織等行業熟知認可。我司作為laumas中國銷售代理,現全國誠招經銷商,歡迎咨詢!!!

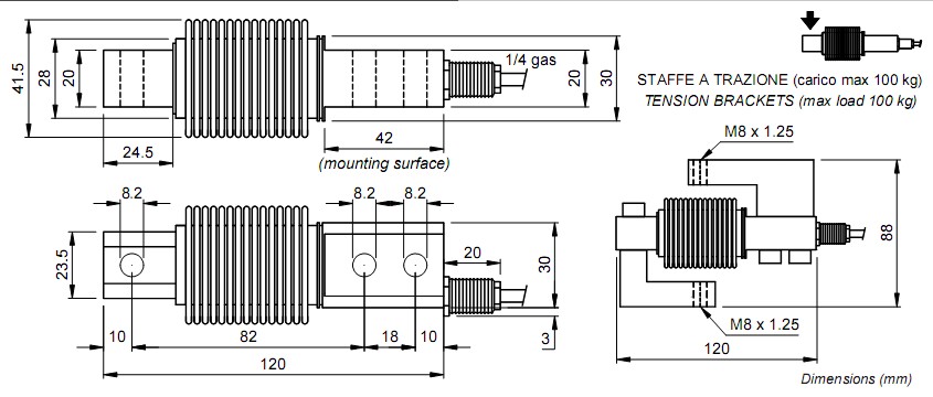
意大利Laumas稱重傳感器FCL系列型號
FCL-10kg懸臂梁式波紋管稱重傳感器
FCL-20kg懸臂梁式波紋管稱重傳感器
FCL-50kg懸臂梁式波紋管稱重傳感器
FCL-100kg懸臂梁式波紋管稱重傳感器
FCL-200kg懸臂梁式波紋管稱重傳感器
意大利FCL-200kg稱重傳感器技術參數
額定輸出:2 mV/V+/-0.1%
溫度效應在零:0.002 %/C
溫度效應對跨:0.0012 %/C
補償溫度范圍:-10C/+40C
操作溫度范圍:-20C/+50C
蠕變在額定負載后30分鐘:0.016 %
意大利laumas懸臂梁式其他稱重傳感器
FCA系列:FCAL-50kg,FCAL-50kg,FCAL-75kg,FCAL-150kg,FCAL-300kg
FCOL系列;FCOL-20kg,FCOL-50kg,FCOL-100kg,FCOL-200kg,FCOL-350kg,FCOL-500k
FTP系列:FTP-1500KG, FTP-2000KG,FTP-3000KG, FTP-5000KG, FTP-10000KG,
FTP-75kg,FTP-150kg,FTP-300kg,FTP-500KG, FTP-750KG, FTP-1000KG, FTP-1200KG,
為滿足廣大用戶需求,意大利laumas生產各種類型:單點式、剪切(懸臂)梁式、彎曲梁式、拉力式、柱壓式、軸銷式、錨式、鋼絲繩測力限重器式,另外配套生產laumas FCL-200kg稱重傳感器模擬輸出增輻變送器,WL物料計重儀表等產品。
|