|
|
|
|
|
| SB-20L,SB-20L稱重傳感器 |
| 發布人:稱重傳感器 發布時間:2020/9/27 15:28:27 點擊量:1839 |
【廣州蘭瑟電子】現貨供應韓國CAS稱重傳感器所有型號,韓國CAS稱重傳感器的中國一級代理供應商、國內最早
合作伙伴,長期供應韓國CAS稱重傳感器詳情請致電傳感器咨詢顧問楊帆020-22157650 15322063181 QQ:1745513274
SB-20L韓國CAS稱重傳感器

類型: S-beam load cell,量程 20L-2T
特點(Features)
徹底環保
鋼蓋起到保護作用
材質(material)
鋁合金,表面陽極氧化(20kgf - 250kgf)
鎳鋼板(500kgf - 2tf)
電纜(cable)
四芯屏蔽電纜
帶聚氨脂插頭
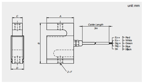
韓國CAS SB-20L稱重傳感器接線方式:
韓國CAS SB-20L稱重傳感器技術參數:
韓國CAS相關型號:
SB-20L稱重傳感器
SB-50L稱重傳感器
SB-75L稱重傳感器
SB-100L稱重傳感器
SB-200L稱重傳感器
SB-250L稱重傳感器
SB-500L稱重傳感器
SB-1T稱重傳感器
SB-2T稱重傳感器
傳感器相關知識:
了解一下Interface稱重傳感器在賽車懸掛測試中的應用
1.Interface1200標準精密輪輻式力傳感器安裝在每個柱子的頂部平臺上,讓賽車在模擬跑道上飛馳,記錄測量載荷數據。
2.1200系列力傳感器的力矩補償設計可在離軸加載時保證精確的讀數。
更多熱賣韓國CAS傳感器:
LS-30T稱重傳感器
LS-2T稱重傳感器
LS-1T稱重傳感器
LS-50T稱重傳感器
LS-200T稱重傳感器
|
|
|
|