【廣州蘭瑟】:有賣美國suncells稱重傳感器NHS-A-3.3T生產廠家價格【中國一級★代理商】,NHS-A-3.3T稱重傳感器多少錢打
供應商聯系電話020-29045457了解信息,現貨原裝進口、保證滿意!

美國suncells稱重傳感器NHS-A-3.3T
品牌:美國suncells
型號:NHS-A-3.3T
類別:輪輻式稱重傳感器
其他型號:NHS-A-1T、NHS-A-2.2T、NHS-A-3.3T
NHS-A-4.7T、NHS-A-10T、NHS-A-15T、NHS-A-22T
NHS-22T、NHS-A-33T、NHS-A-47T、
NHS-A-68T、NHS-68T、NHS-A-100T、NHS-A-150T、
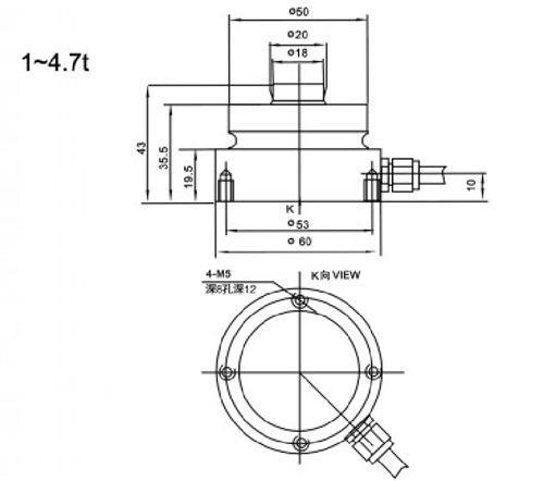
稱重傳感器NHS-A-3.3T的原理
由于它的形狀很像帶有輻條的車輪,我們稱之為輪輻式傳感器。由于它的高度很低所以也稱為低外形傳感器,這種傳感器的突
出優點是,高度低、精度高、線性度好、抗偏載及側向力能力強等一系列優點,它即可用于測量壓力,也可用于測量拉力,因
此特別適用于稱重和測力之用。
稱重傳感器NHS-A-3.3T產品介紹
淬透性好、抗機械疲勞性能強、采用中航工業高精度應變片,耐熱性好、蠕變小、熱滯后小、長期穩定性好。
高強度合金鋼材質,黃銅鍍鎳加強型防水接頭。廣泛用于工業系統中力的測量和天車秤、軌道衡、料斗秤等各種稱重,測力的
工業自動化測量控制系統。
稱重傳感器NHS-A-3.3T安裝方法
安裝方法不同的傳感器它的安裝方式也是有所差異的,總體來說稱重傳感器要有一處用于固定,一處用于受力。要保證固定的
一段安全牢靠,受力的一段不會產生偏載。最后,輪輻稱重傳感器的接線方法最為常見的稱重傳感器都是使用的四芯屏蔽線,
一般來說顏色分為紅、黑、綠、白四個顏色的電線。其中紅黑接激勵電源,一般來說激勵電源電壓為直流5-10VDC,紅色接電
源正,黑色接電源負;綠白是接儀表信號的,綠色接信號+,白色接信號-。其中還有一根黑粗線是屏蔽線,可以接地或者接外
殼,其實黑粗線就是屏蔽電纜外面的屏蔽層用熱縮管套上的。
產品結構圖和實拍圖

熱銷產品及運用范圍:
懸臂梁傳感器
NHS-A/-SS稱重傳感器,適用于軸量秤、料斗秤、倉儲秤、罐體秤。
型號:NHS-1t,NHS-2.2t,NHS-3.3t,NHS-4.7t,NHS-10t,NHS-15t,NHS-22t,NHS-33t,NHS-47t,NHS-68t,NHS-100t。NHS-SS-1t,NHS-
SS-2.2t,NHS-SS-3.3t,NHS-SS-4.7t,NHS-SS-10t,NHS-SS-15t,NHS-SS-22t,NHS-SS-33t,NHS-SS-47t,NHS-SS-68t,NHS-SS-100t。
NHS稱重傳感器,適用于軸量秤、料斗秤、倉儲秤、罐體秤。
型號:NHS-10t,NHS-22t,NHS-33t,NHS-47t,NHS-68t,NHS-100t,NHS-150t。
數字傳感器
WXJ數字稱重傳感器,適用于各種測力場合、取代萬向節應用及計量。型號:WXJ-300kg,WXJ-400kg,WXJ-500kg。
DTC-A數字稱重傳感器,適用于限載裝置。型號:DTC-2.5t。
DG數字稱重傳感器,適用于吊鉤秤。型號:DG-1t,DG-3t,DG-5t,DG-7.5t,DG-15t。
DGB數字稱重傳感器,適用于吊鉤秤。型號:DGB-10t。
ZSN-D數字稱重傳感器,適用于汽車衡、軌道衡、軸量秤、地上秤。型號:ZSN-D-500000碼。
ZSF-D數字稱重傳感器,適用于汽車衡、軌道衡、軸量秤、地上秤。型號:ZSF-D-500000碼。
橋式結構傳感器
QS/QS-A稱重傳感器,適用于汽車衡、軌道衡、配料秤等。型號有:QS-5t,QS-10t,QS-15t,QS-20t,QS-25t,QS-30t,QS-40t,QS-
50t。QS-D-5t,QS-D-10t,QS-D-15t,QS-D-20t,QS-D-25t,QS-D-30t,QS-D-40t,QS-D-50t。
QSB-A/-SS稱重傳感器,適用于汽車衡、軌道衡、軸量秤、地上衡、倉儲秤等。型號有:QSB-10klb,QSB-20klb,QSB-25klb,QSB-
40klb,QSB-50klb,QSB-60klb,QSB-75klb。QSB-SS-10klb,QSB-SS-20klb,QSB-SS-25klb,QSB-SS-40klb,QSB--SS-50klb,QSB-SS-
60klb,QSB-SS-75klb。
QSC-A/-SS稱重傳感器,適用于汽車衡、軌道衡、軸量秤、地上衡、倉儲秤等。
NHS-A其他類型傳感器資料:
Suncells稱重傳感器,美國Suncells
BTB-1T,美國Suncells傳感器BTB-1T
柯力NHS-A稱重傳感器,NHS-A稱重傳感器
HSX-A-20KG,英國OAP HSX-A-20KG傳感器
NHS-A-10T,Suncells NHS-A-10T稱重傳感器
|