【中國一級★經銷商】美國Suncells QS-40t稱重傳感器,結合市場為客戶提供完善的服務,提供原裝正品,多種型號報價選擇,選購!選購電話020-29045457,馬工在線咨詢幫到您!
品牌:美國Suncells
型號:QS-40t
類型:稱重傳感器
傳感器:橋式結構傳感器

1、QS/QS-A稱重傳感器,適用于汽車衡、軌道衡、配料秤等。型號有:QS-5t,QS-10t,QS-15t,QS-20t,QS-25t,QS-30t,QS-40t,QS-50t。QS-D-5t,QS-D-10t,QS-D-15t,QS-D-20t,QS-D-25t,QS-D-30t,QS-D-40t,QS-D-50t。
2、QSB-A/-SS稱重傳感器,適用于汽車衡、軌道衡、軸量秤、地上衡、倉儲秤等。型號有:QSB-10klb,QSB-20klb,QSB-25klb,QSB-40klb,QSB-50klb,QSB-60klb,QSB-75klb。QSB-SS-10klb,QSB-SS-20klb,QSB-SS-25klb,QSB-SS-40klb,QSB--SS-50klb,QSB-SS-60klb,QSB-SS-75klb。
3、QSC-A/-SS稱重傳感器,適用于汽車衡、軌道衡、軸量秤、地上衡、倉儲秤等。BT5t,BT10t,BT15t,BT20t,BT25t,BT30t,BT40t,BT50t。BTD-5t,BTD-10t,BTD-15t,BTD-20t,BTD-25t,BTD-30t,BTD-40t,BTD-50t;
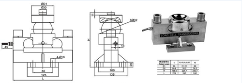
美國Suncells QS-40t稱重傳感器結構圖

參數:
|
額定載荷
|
5,10,15,20,25,30,40,50t
|
|
靈敏度
|
2.0±0.002mV/V
|
|
綜合誤差
|
c2
|
|
零點平衡
|
±0.02%F.S
|
|
零點溫度影響
|
±0.02%F.S/10°C
|
|
輸入溫度影響
|
±0.02%F.S/10°C
|
QS-40t稱重傳感器所有型號:
QS-5t
QS-10t
QS-15t
QS-20t
QS-25t
QS-30t
QS-40t
QS-50t
相關產品:
QS-10t,英國OAP QS-10t稱重傳感器
|