【廣州★蘭瑟電子】一級代理意大利Laumas AU-6kg稱重傳感器,提供AU-6kg Loadcells最低折扣價,保證原裝進口,質量過硬,2年質保。
除AU-6kg稱重傳感器其它系列查看請點擊:意大利Laumas稱重傳感器了解更多詳情
品牌:意大利Laumas稱重傳感器
類別:意大利稱重傳感器
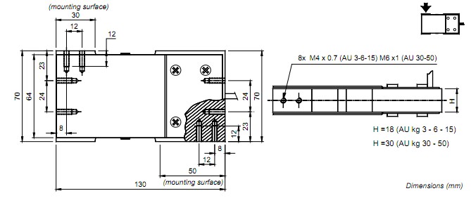
形狀:單點式鋁合金傳感器
線制:4線制,可以直接連接
應用:250*400/400*600的平臺秤
訂購熱線:020-22157170
意大利Laumas AU-6kg稱重傳感器特性:
- 鋁合金稱重傳感器
- 綜合誤差\<+/ - 0.02%
- 防護等級IP 65
- ESECUZIONE在LEGA DI ALLUMINIO
- GRADO DI PROTEZIONE IP 65
意大利Laumas AU-6kg稱重傳感器參數:
額定輸出:2 mV/V +/-10%
零點溫度影響:0.0025% C
溫度影響:0.0025% C
溫度補償范圍:- 10C / + 40C
工作溫度范圍:- 20C / + 60C
蠕變在額定負載30分鐘后:0.025 %
最大電源電壓而不損壞:15 Volt
輸入電阻:410 ohm +/- 10
輸出電阻:350 ohm +/- 3
余額為零:+/- 2 %
絕緣電阻:>2000 Mohm
安全過載范圍(滿量程的百分比):120 %
極限過載范圍(滿量程的百分比):> 200 %
偏轉在額定負載:0.5 mm
意大利Laumas AU-6kg稱重傳感器接線
SCHERMO SHIELD 屏蔽線
+ SEGNALE(VERDE)+信號(綠色)
+ ALIMENTAZIONE(ROSSO)+激勵電壓(紅色)
- SEGNALE(開心) - 信號(白色)
- ALIMENTAZIONE(NERO) - 激勵(黑)
ATL-1000KG、ATL-2000KG
AU-6kg、AU-15kg、AU-30kg、AU-50kg
AZL-10KG、AZL-15KG、AZL-20KG、AZL-30KG、AZL-50KG、AZL-100KG
AZS-10KG、AZS-30KG、AZS-50KG、AZS-100KG、AZS-200KG

除AU-6kg稱重傳感器其它單點式請點擊:
美國tedea原裝☆1320-1000kg稱重傳感器
ZEMIC特價☆L6F-C3D-50kg-3B6稱重傳感器
德國TECSIS批發☆F4225-2000kg稱重傳感器
還在為找不到合適的傳感器而煩惱嗎?趕快拿起你的電話,找【廣州蘭瑟電子】意大利-Laumas品牌一級代理商獲取最新報價和產品相關資訊。有專業的工程師為您提供選型服務及一整套設備安裝指導。
|